标准件手册 www.cnsph.com
Chinese National Standardized Parts Handbook
返回顶部
直达页脚
国家标准件手册
常用标准
CATIA汽车标准件下载
螺栓与螺柱Q1
焊接螺柱Q11
焊接螺柱Q110
短周期弧焊焊接螺柱Q114
塑料用焊接螺柱Q118
双头螺柱Q12Q13
双头螺柱Q120Q121Q121B
双头螺柱Q123Q123B
双头螺柱Q124Q125
双头螺柱Q126Q127Q127B
等长双头螺柱Q128
双头螺柱Q129Q129B
轴肩式双头螺柱Q130
螺栓垫片组合件Q14
六角头螺栓+平键Q140B
六角头螺栓+锥形弹垫Q141
六角头螺栓+弹垫Q142
六角头螺栓+锯齿垫圈Q144
六角头螺栓+弹平垫Q146B
六角头螺栓Q15Q17
六角头螺栓Q150B
六角头细牙螺栓Q151BQ151C
六角头头部带孔螺栓Q170B
六角头头部带孔螺栓细牙Q171BQ171C
六角头螺杆带孔螺栓细牙Q173BQ173C
十字槽凹穴六角头螺栓Q174B
六角法兰面螺栓Q18
六角法兰面自排屑螺栓Q178
六角法兰面承面带齿Q180
六角法兰面螺栓Q182Q184
六角法兰面螺栓细牙Q183Q185
六角法兰面螺栓加大系列Q186
其它螺栓Q19
活节螺栓Q190
大半圆头方颈螺栓Q192B
小方头螺栓Q194B
防拆卸螺栓Q196
承面凸焊螺栓Q198
端面凸焊螺栓Q199
螺钉Q2
自钻自攻螺钉Q20
六角凸缘自钻自攻螺钉Q200
内六角花型盘头自钻自攻螺钉Q202
内六角花型沉头自钻自攻螺钉Q203
内六角花型沉半头自钻自攻螺钉Q204
六角凸缘自钻自攻螺钉Q209
内花螺栓Q21
内六角花形圆柱头螺钉Q210B
内六角花形低圆柱头螺钉Q212
十字槽盘头螺钉Q214
内六角花形盘头螺钉Q215B
内六角圆柱头螺钉Q218B
自攻钉垫片组合件Q22Q23
十字槽盘头自攻和平垫Q220B
十字槽盘头和平垫Q230B
十字槽盘头和弹垫Q232
十字槽盘头和锯齿锁紧垫Q234
十字槽盘头和弹平垫Q236B
十字槽沉头和锥形锁紧垫Q240
十字槽半沉头和锥形锁紧垫Q242
沉头螺钉Q25
内六角沉头螺钉Q250
十字槽沉头螺钉Q254
十字槽半沉头螺钉Q254
内六角花形半沉头螺钉Q257B
内六角花形沉头螺钉Q258
自攻锁紧螺钉Q26
内六角花形圆柱头自攻锁紧螺钉Q260
六角头自攻锁紧螺钉Q261
十字槽盘头自攻锁紧螺钉Q262
十字槽沉头自攻锁紧螺钉Q263
十字槽半沉头自攻锁紧螺钉Q264
自攻螺钉Q27
六角法兰面自攻螺钉Q270
十字槽盘头自攻螺钉Q271
十字槽大半圆头自攻螺钉Q273
十字槽沉头自攻螺钉Q274
十字凹穴六角头自攻螺钉Q275
十字槽半沉头自攻螺钉Q276
六角头凸缘自攻螺钉Q279
梅花盘头自攻螺钉Q27A
梅花沉头自攻螺钉Q27B
梅花半沉头自攻螺钉Q27C
紧定螺钉Q28
开槽锥端紧定螺钉Q280
开槽平端紧定螺钉Q282
内六角凹端紧定螺钉Q283
内六角平端紧定螺钉Q284B
内六角圆柱端紧定螺钉Q285
方头圆柱端紧定螺钉Q286
内六角锥端紧定螺钉Q288B
木螺钉Q29
十字槽圆头木螺钉Q292
十字槽半沉头木螺钉Q294
十字槽沉头木螺钉Q296
塑料用螺钉Q2A
塑料用六角法兰面自攻螺钉Q2A0
塑料用梅花盘头自攻螺钉Q2A2
塑料用焊接螺钉Q2A8
塑料用六角凸缘自攻螺钉Q2A9
螺母Q3
方螺母及螺套Q31
方螺母Q310B
B型板簧螺母Q312
普通型钢丝螺套Q314
普通型细牙钢丝螺套Q315
方螺母座Q316
六角法兰面螺母Q32
六角法兰面螺母Q320Q323
六角法兰面自排屑螺母Q321
六角螺母和锥形弹垫组合件Q322
六角法兰面承面带齿螺母Q324
锁紧螺母Q32Q33
2型非金属嵌件六角锁紧螺母Q326
1型非金属嵌件六角锁紧螺母Q328Q329
全金属六角法兰面锁紧螺母Q330Q331
2型全金属锁紧螺母Q332Q333
1型全金属锁紧螺母Q334
非金属嵌件六角法兰面锁紧螺母Q338Q339
六角螺母Q34Q35Q36
1型六角螺母Q340BQ341BQ341C
塑料六角螺母Q348
六角薄螺母Q350BQ351BQ351C
2型六角螺母Q360BQ361BQ361C
六角细牙厚螺母Q363BQ363C
焊接、铆接、嵌装螺母Q36Q37
焊接六角凸缘螺母Q364
焊接六角凸缘锁紧螺母Q366
焊接圆螺母Q368
汽车安全带用焊接螺母Q369
焊接六角螺母Q370D
焊接方螺母Q371B
平头铆螺母Q372
冲压螺母Q373
沉头铆螺母Q374
板式焊接螺母Q375
B型通孔式嵌装螺母Q376B
C型通孔式嵌装螺母Q377B
D型通孔式嵌装螺母Q378
E型通孔式嵌装螺母Q379
盲孔平头六角铆螺母Q37A
开槽螺母Q38
1型六角开槽螺母Q381BQ381C
2型六角开槽螺母Q383Q383B
六角开槽薄螺母Q387BQ387C
其它螺母Q39
蝶形螺母Q390B
圆螺母Q391
C型板簧螺母Q393
组合式盖型螺母Q394BQ395BQ395C
A型簧片螺母Q397
A型通孔式嵌装塑料螺母Q398B
端封式式嵌装塑料螺母Q399B
六角盖型螺母Q39AQ39B
垫圈、挡圈和铆钉Q4
平垫弹垫Q40
小垫圈Q400B
平垫圈Q401B
大垫圈Q402B
弹簧垫圈Q403
轻型弹簧垫圈Q404
重型弹簧垫圈Q405
组合件用弹簧垫圈Q406
螺钉组合件用平垫圈Q407B
圆螺母用止动垫圈Q408
锁紧类垫圈Q41
内锯齿锁紧垫圈Q410
内外锯齿锁紧垫圈Q411
外锯齿锁紧垫圈Q412
组合件用外锯齿锁紧垫圈Q413
锥形锯齿锁紧垫圈Q414
组合件用锥形锁紧垫圈Q415
盆形圆锥垫圈Q416
鞍形弹性垫圈Q417
波形弹性垫圈Q418
锥形弹性垫圈Q419
组合件用垫圈Q42
组合件用锥形弹性垫圈Q420
自攻钉组合件用平垫圈Q421B
挡圈Q43
孔用弹性挡圈Q430
轴用弹性挡圈Q431
轴用压扁钢丝挡圈Q433
孔用压扁钢丝挡圈Q434
开口挡圈Q436
轴用钢丝挡圈Q437
孔用钢丝挡圈Q438
A型轴用挡圈Q439
抽芯铆钉Q44
开口型平圆头抽芯铆钉Q440B
开口型沉头抽芯铆钉Q441B
封闭型平圆头抽芯铆钉Q442B
封闭型沉头抽芯铆钉Q443B
塑料件用开口型平圆头抽芯铆钉Q449
圆头铆钉Q45
半圆头铆钉Q450
扁圆头铆钉Q453
扁圆头半空心铆钉Q454
其它铆钉Q46Q47
沉头铆钉Q460
120°沉头半空心铆钉Q464
空心铆钉Q465
平头铆钉Q470
平锥头铆钉Q472
扁平头半空心铆钉Q476
销和键Q5
锁止销Q50Q51
开口销Q500
锁销Q501
销轴Q501B
连接销Q52
圆柱销Q521
滚花圆柱销Q524
圆锥销Q525
卷制弹性圆柱销Q527B
开口弹性圆柱销Q528
电弧焊销Q529
标牌铆钉Q54
标牌铆钉Q541
螺旋铆钉Q542
键Q55
普通半圆键Q550
普通平键Q551
螺塞、管接件、箍、夹、卡扣Q6
螺塞Q61Q62
方头锥形螺塞Q614B
开槽柱形螺塞Q615
六角头螺塞Q617B
六角头锥形螺塞Q618B
内六角锥形螺塞Q619
磁芯Q620
六角头锥形磁性螺塞Q622
六角头磁性螺塞Q623
内六角锥形磁性螺塞Q624
线用夹箍Q64
波纹管用卡箍Q640
一端固定式塑料管线夹单管Q641
中间固定式塑料管线夹单管Q643
管接头Q65Q66
扩口式锥螺纹直通管接头体Q651C
扩口式管接头用B型螺母Q652C
扩口式弯通接头体Q653B
扩口式锥螺纹直角管接头体Q654B
扩口式直通接头体Q655C
扩口式锥螺纹三通管接头体Q656B
扩口式三通接头体Q657B
扩口式四通接头体Q658B
扩口式管接头用空心螺栓Q660B
扩口式压力表接头体Q661B
管用夹箍Q67Q68
法兰连接器Q670
钢带式弹性软管卡箍Q673C
塑料紧箍带Q674
A型蜗杆传动式软管环箍Q675
B型和C型蜗杆传动式软管环箍Q676
强力软管夹箍Q677
焊接式单头夹片Q677B
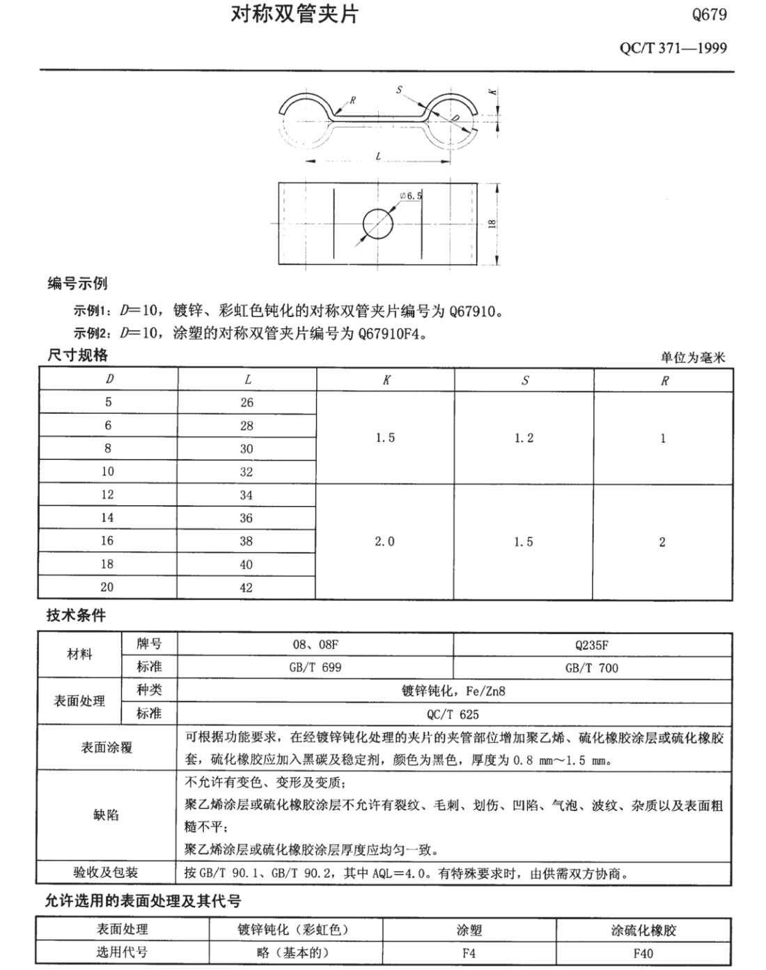
对称双管夹片Q679
开口夹Q680
一端固定式单管夹片Q681
中间固定式双管夹片Q683
一端固定式双管夹片Q685
单管夹片Q686
多管夹片Q687
弹性夹片Q689
卡扣Q69
A型卡扣Q691
塑料开尾销钉Q692
B型卡扣Q693
C型卡扣Q694
H型卡扣Q695
润滑件、密封件和连接件Q7
滑脂嘴Q70
直通式滑脂嘴Q700B
弯颈式滑脂嘴Q701B
密封件Q72
塞片Q721
碗形塞片Q722
密封垫圈Q723
塑料堵塞Q725
螺母保护帽Q726
橡胶堵塞Q727
密封塞Q728
其它连接件Q74
螺纹叉Q740
焊接叉Q742
汽车用球销球座Q743
汽车用螺杆式球销Q745
汽车用球头接头Q746
卡套式管接件Q8
卡套附件Q80
卡套Q800B
卡套式管接头用连接螺母Q801B
管接头用六角薄螺母Q802B
卡套本体Q80Q81Q82
卡套式直通接头体Q803B
卡套式端直通接头体Q804B
卡套式锥螺纹直通接头体Q805B
卡套式弯通接头体Q806B
卡套式锥螺纹直角接头体Q808B
卡套式三通接头体Q809B
卡套式锥螺纹三通接头体Q810B
卡套式锥螺纹直角三通接头体Q811B
卡套式四通接头体Q812B
卡套式过板直通接头体Q813B
卡套式过板弯通接头体Q814B
卡套式组合弯通接头体Q815B
卡套式组合三通接头体Q816B
卡套式铰接接头体Q817B
卡套式铰接六角螺栓Q818B
卡套式压力表接头体Q820B
通气塞和保险阀Q9
通气塞Q90
常闭式通气塞Q900B
常开式通气塞Q901
钢球式通气塞Q903
常闭式通气塞加长型Q904
通气管Q905
其它Q91
保险阀Q902B
铅封Q910
轴承bearing
球轴承
深沟球轴承GBT276-2013
调心球轴承GBT281-2013
角接触球轴承GBT292-2023
推力球轴承GBT301-2015
滚子轴承
圆柱滚子轴承GBT283-2021
调心滚子轴承GBT288-2013
圆锥滚子轴承GBT29-2015
滚针轴承
冲压外圈滚针轴承GBT290-2017
滑动轴承卷制轴套GBT12613
尺寸GBT12613.1-2011
外径和内径的检测数据GBT12613.2-2011
润滑油孔、油槽和油穴GBT12613.3-2011
材料GBT12613.4-2011
外径检验GBT12613.5-2011
内径检验GBT12613.6-2011
壁厚测量GBT12613.7-2011
轴承类型代号GBT272
轴承代号GBT272-2017
套筒sleeve
手动套筒扳手
套筒GBT3390.1-2013
传动方榫方孔GBT3390.2-2013
传动附件GBT3390.3-2013
连接附件GBT3390.4-2013
检验、包装与承包GBT3390.5-2013
弹簧spring
小型圆柱螺旋弹簧GB/T 1973
技术条件GBT1973.1-2021
拉伸弹簧尺寸及参数GBT1973.2-2005
压缩弹簧尺寸及参数GBT1973.3-2005
圆柱螺旋压缩弹簧GB/T 2089
尺寸及参数GBT2089-2009
蝶形弹簧GB/T 1972
蝶形弹簧GBT1972-2005
资源链接
更多标准件库
国家标准全文公开系统
行业标准信息服务平台
免费标准下载网
机械在线小工具
友情链接
忘忧岛
寒木春华